lames minces de roches métamorphiques.

 

description lumière naturelle lumière polarisée analysée
amphibolite de rétromorphose à disthène hrb.plg
amphibolite à glaucophane-grenat-épidote.
éclogite-grenat-omphazite
éclogite rétromorphosée
grenat couronné  
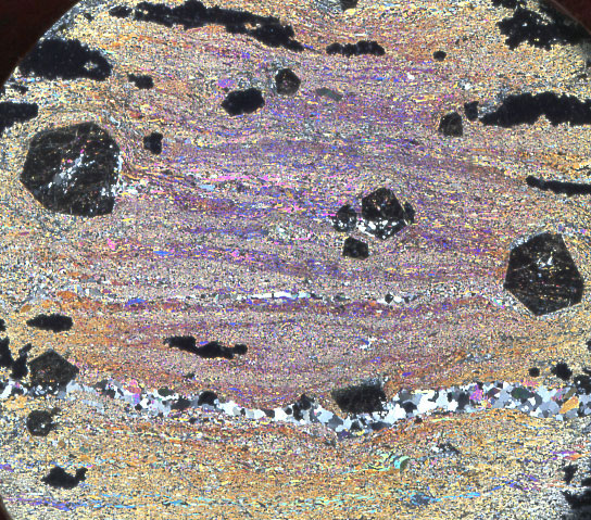
impactite
métagabbro à glaucophane
quartz clivé    

retour